首页 > 文章教程 > CAD教程

CAD2022关于混合公差介绍

  • 浏览:1434
  • 发布时间:2021-09-04 09:05:29
CAD2022关于混合公差介绍

下面给大家介绍的是CAD2022关于混合公差介绍,希望能帮助到大家!

前述

混合公差为某个特征的相同几何特征或为有不同基准需求的特征指定两个公差。一个公差与特征组相关,另一个公差与组中的每个特征相关。单个特征公差比特征组公差具有更多的限制。

适用环境/工具

型号:笔记本

系统:win10系统

软件:CAD2022软件

功能和快捷键

公差命令dim_tolerance

操作步骤/方法

方法1

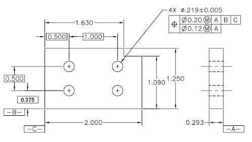
1 1、混合公差为某个特征的相同几何特征或为有不同基准需求的特征指定两个公差。
2 2、一个公差与特征组相关,另一个公差与组中的每个特征相关。单个特征公差比特征组公差具有更多的限制。
3 3、基准 A 和 B 相交的点称为基准轴,从这个点开始计算图案的位置。
4 4、混合公差可以指定孔组的分布直径和每个单独孔的直径,如下图所示。
CAD2022关于混合公差介绍第4步
5 5、把混合公差添加到图形中时,首先指定特征控制框的第一行,然后为第二行选择相同的几何特征符号。
6 6、几何符号框格将被延伸覆盖每行。然后可以创建第二行公差符号。
END

注意事项/总结

几何符号框格将被延伸覆盖每行。然后可以创建第二行公差符号。

相关教程