手机观看
手机版
欢迎您 『 亲爱的游客 』
会员登录
免费注册新会员
找回密码
网站首页
|
办公软件
|
平面设计
|
室内设计
|
机械设计
|
媒体制作
|
编程设计
|
图文教程
|
电脑教程
|
CAD
|
UG
|
Pro/E
|
SolidWorks
|
WPS
|
教程下载
|
软件下载
|
您的位置:
首页
>
SolidWorks教程
>
Solidworks绘制一个木架子效果图的详细方法
返回首页
Solidworks绘制一个木架子效果图的详细方法
时间:
2025-10-21 20:42:20
作者:彭老师
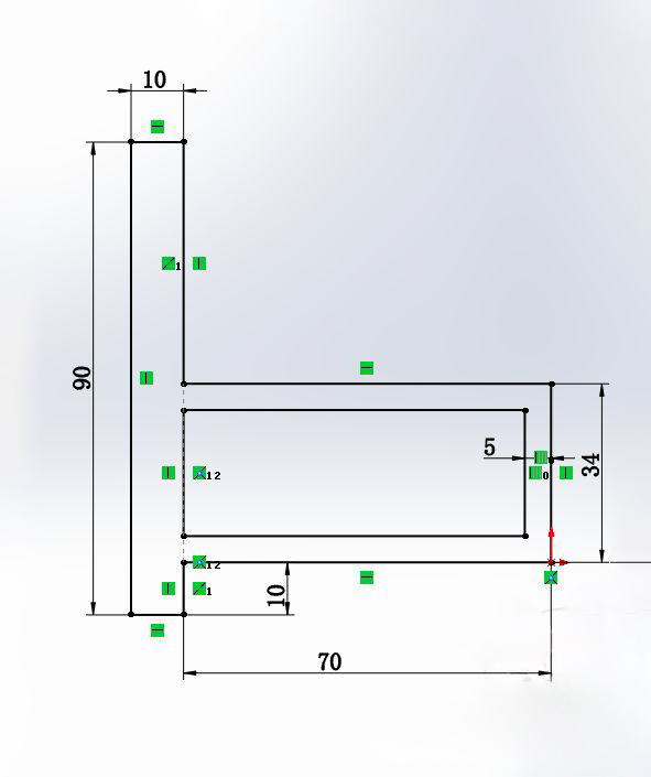
以下介绍的是Solidworks绘制一个木架子效果图的详细方法,具体绘制方法步骤如下:
1、打开solidworks软件,新建空白文档,在前视基准面上,绘制草图对象。
2、退出草图,点击拉伸凸台,设置两侧对称拉伸:10mm。点击确定。
3、点击倒角设置,倒角勾选顶点,选择节点,设置:3mm 。(其他三个角相同)
4、新建基准轴,参考选择:前视和右视面,点击确定。
5、选择特征倒角对象,设置基准轴1,角度360度,数量为:4,然后点击确定。
6、架子完成。
更多相关SolidWorks视频教程:
Solidworks2024曲面绘图视频教程
Solidworks2024钣金与焊接视频教程
SolidWorks2024视频教学
SolidWorks2022视频教程
solidworks钣金入门教程视频
solidworks经典建模实例
Solidworks2020视频教程
solidworks2016运动仿真视频教程
solidworks视频教程建模实例篇
solidworks2016钣金视频教程
solidworks2016视频教程
solidworks2018视频教程
上一个教程:
SolidWorks画带弧形曲面塑料盒的详细方法
下一个教程:
用Solidworks2024画一个传统大鼓的详细方法
教程分类
CAD教程
UG教程
Creo教程
SolidWorks教程
PhotoShop教程
CorelDRAW教程
Illustrator教程
3DMAX教程
Word教程
Excel教程
WPS教程
PowerPoint教程
热门
solidworks2020安装图文教程
SOLIDWORKS2018安装教程与激活方法
solidworks2023安装教程与破解方法
SOLIDWORKS2022安装教程与破解方法
Soildworks2024安装图文教程
solidworks2020安装教程及破解方法
SolidWorks2021安装图文教程
SolidWorks2019安装教程与激活方法
SOLIDWORKS2021安装教程及破解方法
SolidWorks2023安装图文教程
SOLIDWORKS直径标注变成半径标注的方法
Soildworks2024安装教程与激活方法
最新
Solidworks2017安装方法
用SolidWorks建模一个薯片的详细方法
虽然步骤有点多的3D实体建模
用SolidWorks曲面建模一个音箱的详细方法
用SolidWorks画一个波形弹簧的详细方法
SolidWorks画带弧形曲面塑料盒的详细方法
Solidworks绘制一个木架子效果图的详细方法
用Solidworks2024画一个传统大鼓的详细方法
SolidWorks建模一个相互配合零件的详细方法
SolidWorks画一个弹簧片的详细方法
solidworks2024设计圆环扫描曲面的方法
Solidworks2024绘制一个简单的圆管曲面的方